Skip to main content

Featured

Bmw Battery Key Fob

Bmw Battery Key Fob . The battery should be under the back cover. Battery on the car is dead, key fob won’t work, and the key to manually unlock can the found. i8 Key Fob with 2.2" Display Brought Out by BMW at 2015 CES autoevolution from www.autoevolution.com If it's not working, it could just be that the battery has run out. Where you have removed the key you will see a small gap where you will input the screwdriver and turn it to pop open the cover. (alarm may go off.) place the key into the ignition slot.

What Uses 9V Batteries


What Uses 9V Batteries. Your devices are always running out of power and batteries are expensive. The above designations are characteristic for 9v batteries, but there are actually many more, e.g.

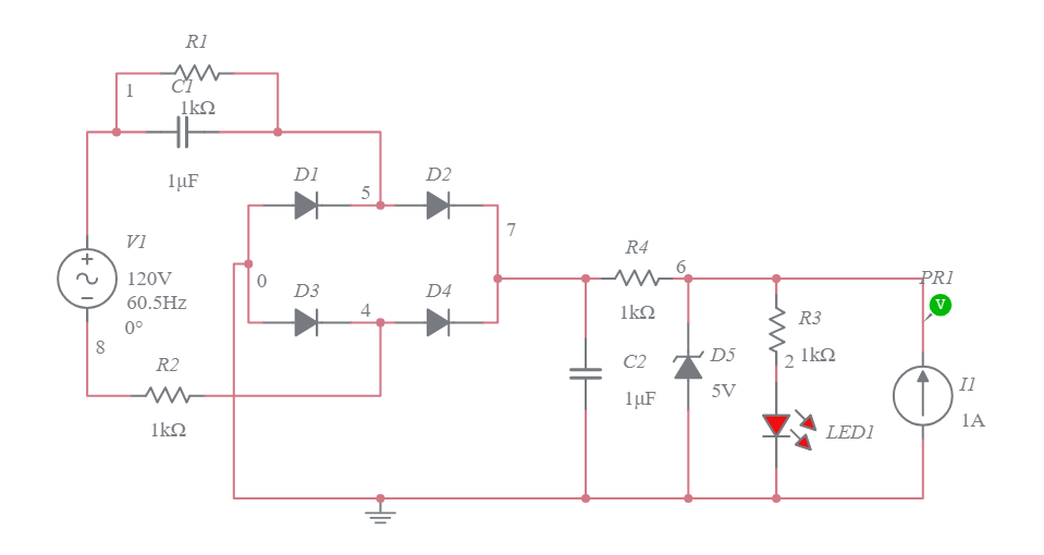
Transformerless Power Supply Multisim Live
Transformerless Power Supply Multisim Live from www.multisim.com

Amazonbasics 9 volt everyday alkaline batteries […] You can also present this information using the ‘ampere. This saves my battery power and is much easier/faster to set up for guitar playing.

The Battery Comes In A Characteristic Cuboid Shape And Its Size Is 48.5 X 26.2 X 17 Mm.


9v batteries provide 500 milliamps for an hour. By jacky may 18, 2022. The above designations are characteristic for 9v batteries, but there are actually many more, e.g.

The Nice Thing About 9V Batteries Is They Give You A Fairly Wide Operating Voltage Range During Their Life Without Being Overly High A Voltage.


Your devices are always running out of power and batteries are expensive. Have a better day ! Hf9, r20, 6hr61, pp3, mn1604.

Lithium Batteries Have Double The Capacity Of Nimh Batteries.


Batteries of various sizes and capacities are manufactured; Many of these batteries are used in critical applications, so it’s crucial that they function flawlessly. Here are the best brands of 9v batteries on the market today:

It May Come In A Number Of Variants With Different Capacity:


Surely experts will come now and explain whether to use lipos or whatever. Rip one apart and see. A 9v battery contains six 1.5v cells.

25.0 Mm To 26.50 Mm.


If you need your arduino project to last longer than a day, this isn’t the battery you want to use. The boxes are on a powered pedal board that plugs into the wall, and has powered connectors going to each box. Usually, a 9v nimh battery can last up to 4 hours with continuous uses.


Comments

Popular Posts